Products search
(+91) 842-700-1426
agriparts@jcblmail.com
Home
About Us
Products
Combine Harvester Parts
+
Farm Implements Replacement Parts
+
Three Point Linkage Parts
+
Tractor Utility & Accessories Parts
+
Auger Tyne & Springs
Fingers / Knife Guards
Harvester Blades
Harvester Plastic Parts
Harvester RASP Bars
Disc Harrow
Duck Foot
Hammer Blades
MB Plough/ Tiller Blade
Balls
Bushes
Draw Bars
Levelling Arms
Levelling Assemblies
Pins
+
Clevis Pins
Cylinder and Square Head Pins
Hair / Split / Grip Pins
Hitch Pins
Implement Pins
Linch Pins
PTO Pins
Top and Lower Link Pins
Stabilizer Assembly
Stabilizer End
U-Bolts
Weld On Ends
Engine & Exhaust Accessories
Gauges
Catalogue
Blogs
News & Events
Contact us
Products search
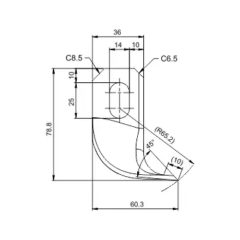
HBE 01
Home
Farm Implements Replacement Parts
HBE 01
HBE 01
Code
HBE 01
Blade Width
74mm
Clamping Width
6mm
Radius
65.2mm
Material
Sheet Metal
Weight
0.150 Kg
Contact Us
Description
Additional Information
Additional information
Code
HBE01
Width
74mm
Weight
0.150kg
✕